639cc全民彩

螺旋输送机(GX型)

螺旋输送机简介

  GX型螺旋输送机是利用螺旋转动将物料沿机壳连续推移而进行输送的。本机具有结构简单,外形尺寸小,成本低,操作安全,能按工艺要求满足多点进料和排料。

螺旋输送机

螺旋输送机技术参数

表一
 

规  格 主要技术性能 驱动装置 驱动装置 重量
(kg)
直径 长度
(m)
产量
(水泥)
t/h
转速
min-1
减速机 电动机
型号 速比 型号 功率
(kw)
GX200 -10 9 60 JZQ250 23.34 Y90S-4 1.1 726
GX200 -20 9 60 JZQ250 23.34 Y90L-4 1.5 1258
GX250 -10 15.6 60 JZQ250 23.34 Y100L2-4 2.2 960
GX250 -20 15.6 60 JZQ250 23.34 Y100L1-4 3 1750
GX300 -10 21.2 60 JZQ350 23.34 Y100L2-4 3 1373
GX300 -20 21.2 60 JZQ350 23.34 Y112M-4 4 2346
GX400 -10 51 60 JZQ400 23.34 Y132S-4 5.5 1911
GX400 -20 51 60 JZQ500 23.34 Y160M-4 11 2049
GX500 -10 87.5 60 JZQ400 23.34 Y132M-4 7.5 2381
GX500 -20 87.5 60 JZQ650 23.34 Y180M-4 18.5 5389
GX600 -10 134.2 45 JZQ750 23.34 Y180L-4 22 3880
GX600 -10 134.2 45 JZQ850 23.34 Y250M-4 55 7090

产品制法和装法说明

  • 按使用场合要求的不同,分为S制法和D制法两种。
  • S制法一带有实体螺旋面的螺旋,其螺距等于直径。
  • D制法一带有带式螺旋面的螺旋,其螺距等于直径。
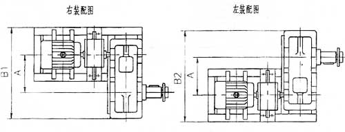
  • 按驱动装置装配方法的不同,分为右装和左装两种:
  • 右装一站在电动机尾部向前看,减速器低速轴在电动机的右侧。
  • 左装一站在电动机尾部向前看,减速器低速轴在电动机的左侧。
  • 螺旋机的出料口有方形出料口、手推式出料口和齿条式出料口三种。后两种出料口拉板的开闭方向,随安装不同而分右装、左装两种:
  • 右装一站在螺旋机头节往尾节看,拉板向右拉开。
  • 左装一站在螺旋机头节往尾节看,拉板向左拉开。

安装尺寸及长度组合:

(一)外形及安装尺寸

螺旋输送机长度


表二

螺旋直径
D
A B C E F G H K J M N Q P R T T1 X Z d
(dg)
d1 a f I I1 b
(hs)
t
200 342 384 180 80 140 200 18 25 20 200 200 153 220 110 60 60 123 150 40 16 205 195 80 155 12 43.5
250 392 464 220 140 200 260 20 28 25 200 200 183 270 135 70 70 125 180 50 20 237 225 100 155 16 55
300 468 555 270 160 240 320 22 28 25 200 200 213 300 160 75 70 130 210 60 20 264 250 120 160 18 65.5
400 572 685 340 220 320 400 22 30 35 300 300 273 350 210 90 85 145 270 80 25 325 310 160 180 24 87
500 706 823 400 300 400 500 30 35 40 300 300 333 450 264 100 95 165 330 100 25 393 375 200 205 28 108
600 806 973 500 400 500 600 30 40 40 300 300 383 550 314 110 105 170 380 120 30 433 415 240 205 32 129

注:1、螺旋机输送长度及尺寸L均见表二、表三。 2、图n×500为盖板卡子尺寸,n值视螺旋机长度而定。 3、图中尺寸p为进出料口中心线。

(二)进出料口装置

1、进料口


表三

螺旋直径
D
A B C C1 t d 重  量
kg
图  号
200 220 306 272 100 3 9 3.64 GX20·10·00
250 270 356 330 120 3 9 4.80 GX25·10·00
300 320 428 386 140 4 13 8.88 GX30·10·00
400 420 528 492 160 4 13 12.42 GX40·10·00
500 528 662 612 160 4 17 16.56 GX50·10·00
600 628 762 720 180 4 17 21.20 GX60·10·00

2、方形出料口


表四

螺旋直径
D
A B C C1 E t d 重  量
kg
图  号
200 226 312 272 165 8 3 9 4.36 GX20·11·00
250 276 374 330 195 10 4 9 7.52 GX25·11·00
300 328 426 386 225 10 4 13 9.36 GX30·11·00
400 428 536 492 280 10 4 13 14.28 GX40·11·00
500 536 670 612 340 15 4 17 26.14 GX50·11·00
600 636 774 720 430 15 6 17 39.20 GX60·11·00

注:螺旋直径为600毫米时,出料口采用角钢结构。
639cc全民彩3、手推式出料口与齿条式出料口尺寸样本中略去,顾客函索即复。

(三)驱动装置外形尺寸及安装尺寸(参见下页表五)




表五
 

驱动装置 电动机 减速器
型  号
A B C D E n-d1 H H1 H1 K L L1 L2 B1 B2 b t d 重量
kg
功率
kw
转速
min-1
1.1

1.5

2.2

3

1410

1410

1430

1430

JZQ250 250 320 332 277 190 8-M12 120 280 432 14.5 826.5

826.5

826.5

826.5

135 85 622 622 18 63 55 197.4

202.4

212.2

217.2

2.2

3

4

5.5

7.5

10

1430

1430

1440

1440

1450

1450

JZQ350 350 400 440 360 250 8-M12 140 340 540 14.5 1042.5

1042.5

1042.5

1042.5

1043.5

1087.5

1119.5

165 85 821

821

821

821

838

838

821 18 63 55 315

320

334.2

334.2

366.2

383.3

4

5.5

7.5

10

13

17

1440

1400

1450

1450

1460

1460

JZQ400 400 400 470 450 460 8-M16 160 410 650 17.5 1155.5

1155.5

1155.5

1155.5

1187.5

1206.5

1244.5

180 125 956

956

968

968

984

984

956 28 93 80 590.8

600.8

623.2

638.2

4

5.5

7.5

10

1140

1140

1450

1450

JZQ500 500 450 560 570 310 9-M16 180 480 765 17.5 1338.5

1338.5

1338.5

1338.5

200 125 1196

1196

1196

1196

1196 28 93 80 590.8

600.8

623.2

623.8

13

17

22

30

1460

1460

1470

1470

JZQ500 500 450 560 570 310 9-M16 180 480 765 17.5 1338.5

324.5

1412.5

1437.5

200 125 1199

1199

1253

1253

1196 28 93 80 671.4

696.4

789.3

894.3

7.5

10

13

17

22

30

 

40

1450

1450

1460

1460

1470

1470

 

1470

JZQ650 650 500 700 650 410 9-M16 180 500 877 17.5 1670.5

1670.5

1670.5

1670.5

1670.5

1672.5

1738.5

1776.5

265 165 1373

1373

1373

1373

1405

1405

1425

1425

1373 36 127 110 1047.1

1089.7

1126.1

1150.1

1214.6

1279.6

1365.9

1450.9

22

30

 

40

1470

1470

 

1470

JZQ750 750 500 720 725 450 9-M16 180 500 925 17.5 1710.5

1710.5

1778.5

1816.5

285 165 1551

1551

1571

1571

1519 36 127 110 1530.4

1545.4

1651.7

1736.7

22

30

55

75

1470

1470

1470

1470

JZQ850 850 550 800 825 520 9-M20 200 600 1075 17.5 1910.5

1910.5

2042

2093

325 200 1706

1706

1771

1771

1699 36 147 130 2035.4

2050.4

2454.5

2525.4

联系方式

  • 公司名称:江苏振强机械科技股份有限公司
  • 电话:0513-88800222
  • 地址:江苏省海安海安工业园区
  • 邮箱:ntzqjx@aliyun.com

螺旋输送机(GX型)相关的推荐产品

螺旋输送机(GX型)的同类产品

顺发2468 - 首页 澳门灵蛇网4949-香港灵蛇网论坛资料大全最新-灵蛇网4846cc最新版本更新内容-灵蛇网4668cc-灵蛇澳门2025年今晚看 香港六玄开奖网-六玄网132432-六玄神马开奖44579-六玄公式6588777-六玄神马免费中特料-澳彩六玄网论坛6258cmcc 灵蛇澳门2025年今晚看-灵蛇网4846cc-灵蛇网免费资料大全--灵蛇网4846cc最新版本更新内容-澳门灵蛇网4949 祥顺彩票|主页 天游8线路检测中心|欢迎您